Räum­li­che Schei­ben­sys­te­me, Sta­tik und Be­mes­sung

Bachelorthesis Hochschule Luzern

Publikationsdatum
15-01-2018
Revision
15-01-2018

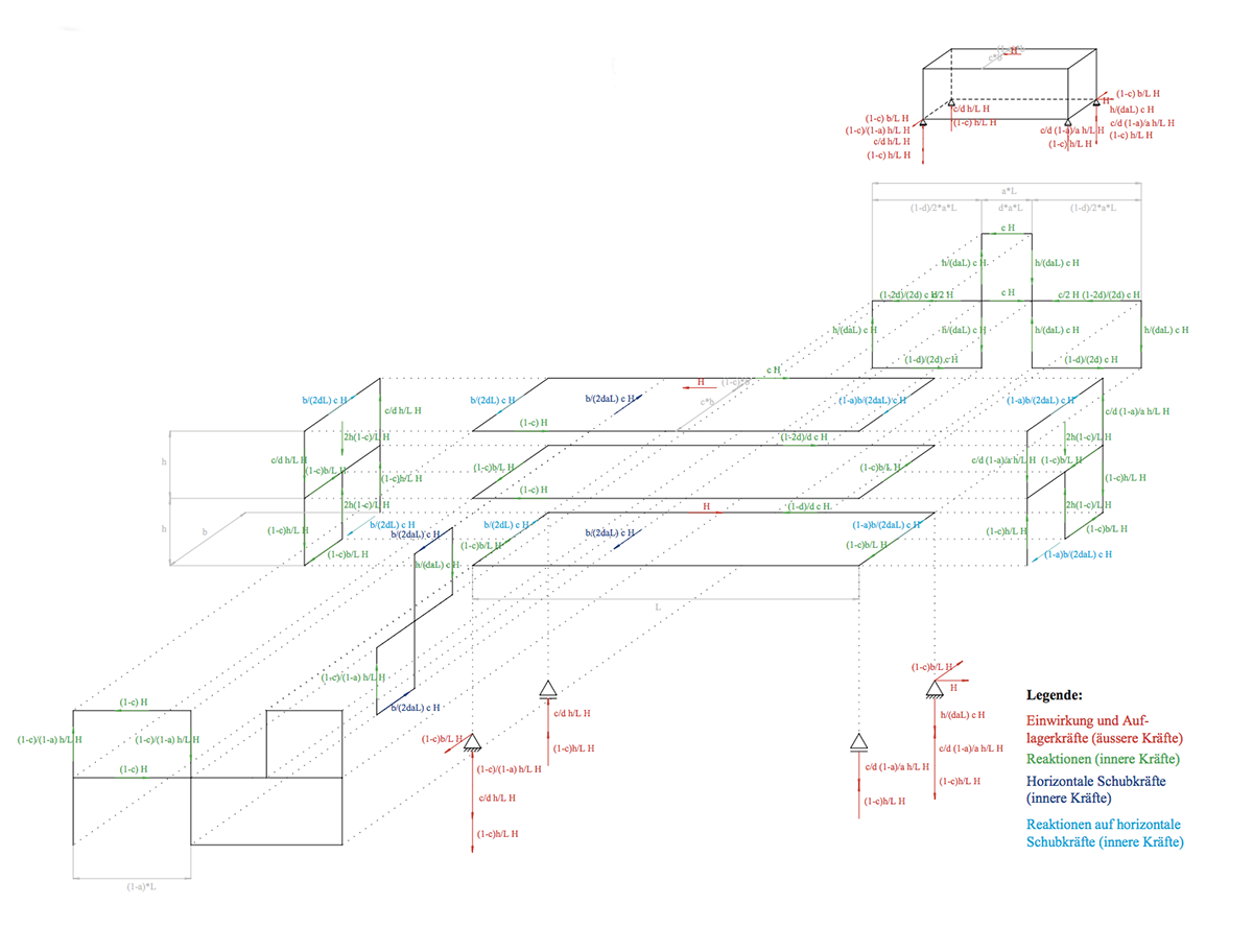
Ein wissenschaftliches und sehr theoretisches Thema bearbeitet Janet Greutmann. Aufbauend auf Publikationen und Beispielen der Ingenieure Conzett und Seelhofer untersucht sie räumlich tragende Scheibensysteme auf ihre Stabilität. Anhand einer Analyse von Beispielen entwickelt sie eine allgemeine Systematik, die erlaubt, die Tragwirkung räum­licher Scheibensysteme zu erfassen und zu behandeln. Sorgfältig arbeitet Greutmann die theoretischen Grundlagen zur Statik von Scheibensystemen und die dazugehörigen Beispiele auf. Gut strukturiert gelingt ihr eine vorbildliche Dokumentation des kom­plexen Themas. Dabei werden die der Untersuchung zugrunde liegenden räumlichen Modelle analytisch gut abgehandelt. Ihre Erkenntnisse wendet Janet Greutmann an einem Beispiel aus der Praxis an – dem Haus mit einer Wand des Architekten Kerez. Die Arbeit fällt nicht nur durch das gewählte Thema, sondern vor allem auch durch ihre überdurchschnittliche Tiefe und Vielschichtigkeit auf.

Alle Projekte von «Best of Bachelor 2017» finden Sie hier.

Janet Greutmann
 

Betreuer: Prof. Dr. Karel Thoma

Experte: Urs Hirsiger, Dipl. Bauing. FH

Disziplin: Konstruktiver Ingenieurbau

Verwandte Beiträge