Vir­tuel­ler Wind­ka­nal

Sind Bauwerke geometrisch aussergewöhnlich oder stehen sie an exponierter Lage, bekommt das Gefährdungsbild Wind entsprechendes Gewicht. Für die Verifizierung der Lastannahmen bieten moderne ­Simulationswerkzeuge wirtschaftliche Alternativen zu Windkanalversuchen.

Date de publication
27-11-2014
Revision
18-10-2015

Was ist Winddruck? Welche Faktoren beeinflussen ihn? Wie fühlt es sich an, bei einer Windgeschwindigkeit von 100km/h in einem Windkanal zu stehen? Wie schnell ist ein Wind, der einen Staudruck von 1 kN/m2 erzeugt? Wer nicht regelmässig mit Fragestellungen rund um Winddruck und Aerodynamik zu tun hat, kann die entsprechenden Antworten nicht ohne Weiteres geben. Gute Hilfestellung liefert die SIA-Dokumentation D 0188:2006, die auch nach Erscheinen der neuen Norm SIA 261:2014 weiterhin Gültigkeit hat.

Um auf die Eingangsfragen zurückzukommen: Winddruck ist im Prinzip ein Ergebnis des ständigen Bestrebens der Natur nach Gleichgewicht – in diesem Fall, wenn sich Luftteilchen aus dem Hochdruckgebiet zum Tiefdruckgebiet hin bewegen. Sturmböen von 100km/h entsprechen dem Bereich der Beaufort-Skala mit Windstärken 10 und 11. Diese Skala definiert schon bei Windstärke 8 die Auswirkung «erschwert erheblich das Gehen im Freien». Eine Windböe, die einen Staudruck von 1 kN/m2 erzeugt, ist ca. 144km/h schnell. Solch starke Windböen sind in normalen Lagen des Schweizer Mittellands ungewöhnlich und entsprechend selten. Einzig der Orkan «Lothar», der im Dezember 1999 über die Schweiz zog, brachte verbreitet Spitzenwerte dieser Grössenordnung bis in die Tallagen. So wurden damals in Brienz Böenspitzen bis 181km/h und in Vaduz solche bis 165km/h registriert. Das entspricht Staudrücken von ca. 1.58 kN/m2 resp. 1.31 kN/m2.

Staudruck auf der Plaine Morte

Die Verantwortlichen von MeteoSchweiz hatten für die Nutzungsvereinbarung der neuen Radar­station auf der Plaine Morte umfangreiche Rand­bedingungen zu berücksichtigen. In Bezug auf die ­Windeinwirkung konnten sie auf Messresultate von benachbarten Bergsta­tionen zurückgreifen. Daraus resultierten zwei Windgeschwindigkeiten für die Auslegung der Trag­struktur und der Gebäudehülle. Für die Gebrauchs­tauglichkeit sind das 45m/s resp. 162km/h und für die Tragsicherheit 70m/s resp. 252km/h. Zum Vergleich: Das Orkantief «Lothar» führte auf dem Jungfraujoch zu einer Spitzenböe von 249km/h.

Mit der Berücksichtigung der üblichen Last- und Widerstandsbeiwerte ergeben sich also ausreichend Reserven, um auch noch stärkeren Ereignissen zu widerstehen. Der Wert für die Gebrauchstauglichkeit dient in diesem Fall vor allem der Betriebssicherheit des Radars. Diese sieht vor, dass die Auslenkung der vertikalen Gebäudeachse bis zu dieser Windgeschwindigkeit nicht grösser als 0.1 ° von der Lotrechten sein darf. Ab da wird die Rotation des Radarschirms automatisch gestoppt und die Anlage abgestellt.

An dieser Stelle ist bemerkenswert, dass die SIA-Norm 261 am Standort der Radaranlage Plaine Morte die Zone «Kreten und Gipfel» definiert, was einem Referenzwert des Staudrucks von 3.3kN/m2 entspricht. Dies ergibt eine Windgeschwindigkeit von knapp 73m/s resp. 262km/h. Mit der Berücksichtigung der geltenden Normvorgaben und der entsprechenden Dimensionierung der Tragstrukturen ist man also auch an solch exponierten Standorten durchaus auf einem passenden Lastniveau, um ohne Gewerke mit gravierenden Lücken oder zu gros­sen Reserven zu bauen. Daraus darf man schlies­sen, dass Sturmschäden infolge Wind an Bauten neueren Datums ausschliesslich einer unzulänglichen Planung und/oder Ausführung zuzuschreiben sind. Denn auch wenn bei der Wahl von Profilbeiwerten und Druckbeiwerten etwas zu tief gegriffen wird, wiegen die vorgeschriebenen Last- und die Widerstandsbeiwerte im statischen Nachweis solche Abweichungen auf.

Lokaler Winddruck am Baukörper

Der lokale Winddruck ist das Produkt aus Staudruck und Druckbeiwert, wobei Letzterer die Anströmrichtung und die Bauwerksform berücksichtigt. Diese Druck-, Sog- und bei rauen Oberflächen auch Reibungsbeiwerte werden für die Dimensionierung der Gebäudehülle benötigt. Im Fall der neuen Radarstation hat man Antworten gesucht, wie gross die lokalen Druckbeiwerte an den verschiedenen Gebäudehüllenbereichen sind, wie stark sich die segmentierte Form der PV-Elemente mit ihren kantigen Richtungswechseln auf die Spitzensogwerte abzeichnet und wie sich die Winddrücke auf dem kugelförmigen Radom einstellen. Auch die Aus­legung der Fundation, der Rohbausteifigkeit und die Dimensionierung der Blitzfangstangen ist direkt abhängig von diesen Winddrücken.

An diesem Punkt kam ein interdisziplinäres Team der Hochschule Luzern, Departement Technik und Architektur (HSLU T&A) aus den Kompetenzzentren Konstruktiver Ingenieurbau (CCKI), Fassaden- und Metallbau (CCFM) und Fluidmechanik und Hydromaschinen (CC FMHM) ins Spiel. Zielvorgabe war, mittels einer numerischen Strömungsberechnung (Computational Fluid Dynamics) die lokalen Winddrücke zu bestimmen. Dazu wurde zu Beginn vom CCFM ein CAD-Volumenmodell erstellt. Das CC FMHM konnte diese Daten übernehmen und die passende Geometrie des virtuellen Windkanals bestimmen. Dieses sogenannte Preprocessing ist nebst einer passenden Modellvernetzung und der Wahl der passenden Solver die wichtigste Arbeit, um plausible Resultate zu erhalten.

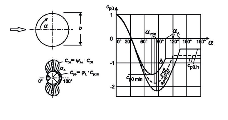
Durch die interdisziplinäre Zusammenarbeit der Kompetenzcenter konnten laufend Zwischenergebnisse bewertet und bei Bedarf entsprechende Anpassungen an der Simulation vorgenommen werden. Die finalen Resultate gingen anschliessend in Form von Rohdaten zum CCFM zur Auswertung und zum CCKI zur Plausibilitätsprüfung. Insbesondere in den zylindrischen Zonen des Bau­körpers zeigten die extrahierten Druckbeiwerte eine äus­serst gute Übereinstimmung mit den bekannten Daten aus der Fachliteratur (Abb. rechts oben). Mit diesen Übereinstimmungen konnte entsprechend auch die Plausibilität der übrigen Resultate positiv bewertet werden. Die gewonnenen Grundlagen wurden auch für die Auslegung der Blitzfangstangen herangezogen. 

Dimensionierung der Gebäudehülle

Mit den Erkenntnissen aus der CFD-Simulation konnten sämtliche statischen Fragestellungen am Rohbaukörper, an der Fundation und der Gebäudehülle bearbeitet werden. Letztere übernimmt die Winddrücke als erstes Bauteil und leitet sie via Unterkonstruktion an den Rohbau weiter. Für die Bekleidung boten sich Alumi­nium-Verbundplatten an. Diese Produkte erfüllen alle Anforderungen durch Witterungseinflüsse, Temperatur, Transportgewicht und die Architektur. Um möglichst glatte und geschlossene Oberflächen zu erhalten, wurden die Platten an ihren Rändern nicht in ein dahinterliegendes Fugenprofil gekantet, sondern flach auf vertikal durchlaufende Aluminiumprofile vernietet. Diese Profile sind immer genau hinter den Plattenstössen platziert, damit Wasser, Schnee und Eis nicht unkon­trolliert in den Hinterlüftungsraum gelangen kann. 

Fix- und Gleitpunkte gewähren die zwängungsfreie Lagerung, was in Anbetracht der zahlreichen und starken Temperaturwechsel für eine lange Lebens­dauer der Produkte unbedingt notwendig ist. Für die Festlegung der Anordnung und Anzahl der Nietpunkte stehen normalerweise Tragtabellen des Produktelieferanten zur Verfügung. Diese Tabellen decken aber üblicherweise Windsogbereiche bis gut 2.0 kN/m2 ab, was in diesem speziellen Fall nicht ausreichend war. Deshalb wurden die massgebenden Plattenkörper im CAD ­modelliert und mit FEM-Software (Finite-Elemente-­Methode) einer Strukturanalyse unterzogen. Damit wurden Spannungen und Nietkräfte genau bestimmt und die optimale Einteilung festgelegt. Das Foto oben zeigt, wie dicht die Unterkonstruktionsprofile platziert werden mussten, damit die Nachweise von Platten, Profilen und Verbindungsmitteln bei einem lokalen Windsog von 6.5kN/m2 möglich waren.

Auswertungen mit Augenmass

Spezielles Augenmerk lag auf der statischen Dimen­sionierung des segmentierten Photovoltaikgürtels. Die errechneten lokalen Druckbeiwerte stiegen bei den Richtungswechseln der einzelnen Paneele auf bis zu –2.95. Bei einem Staudruck von 3.06kN/m2 ergäbe das einen lokalen Windsog von gut 9.0kN/m2. Betrachtet man den Verlauf der Druckbeiwerte jedoch genau, erkennt man, wie lokal begrenzt die Spitzenwerte auftreten. Solche Peaks können mit Rücksicht auf die lokalen Bauteilgrössen ohne Weiteres mit den benachbarten Werten ausgemittelt werden, um praxisgerechte Werte zu erhalten. Im vorliegenden Fall wurden die Paneele auf einen Windspitzensog von 6.5kN/m2 dimensioniert. Dieses Beispiel zeigt exemplarisch, wie wichtig die Auswertungen von Resultaten aus Computersimulationen im Bereich der Baustatik sind. Blindes Übertragen von errechneten Werten und Falschfarbenbildern ergibt niemals eine ausgewogene Dimensionierung von Bauteilen und Verbindungs­mitteln. Nur mit Erfahrung und Augenmass werden diese Werkzeuge im Bauprozess zum Gewinn. 

Sur ce sujet